氣力輸送係(xì)統(tǒng)
推薦(jiàn)新聞

座機(jī):0531-83317677
手機: 13964033677
聯係人:
Q Q: 1302842311
郵箱: 1302842311@qq.com
地址: 山東省濟南(nán)市章丘區雙山街道豐年大道666號
- 產品名稱 : 高壓氣力輸送係統
- 產品特點 : 本係統是以雙級(jí)羅茨鼓風機或空氣壓縮機為氣源,產生高壓氣(qì)體,連續壓送物料的一種氣力輸送係統。更多詳情請撥打:13964033677 
- 產品摘要 : - 高壓氣力輸送係統是(shì)以雙級羅茨鼓(gǔ)風機或空氣壓縮機為氣源,產生高壓氣體,連續壓送物料的一種氣力輸送係統。 
產品描述(shù)
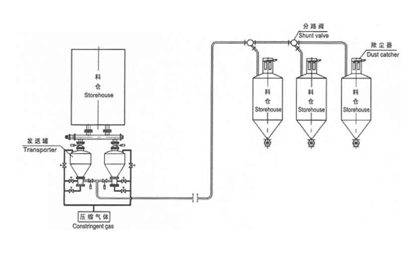
高壓供料器壓送氣力輸送係統流程:

本係統是以雙(shuāng)級羅茨鼓風機(jī)或空氣壓縮機為氣源,產生高壓氣體,連續壓送物料的一種氣力輸送係統。該係統適用於從一處向多處進行分散輸(shū)送,具有(yǒu)壓力高,密封(fēng)可靠,對物料起到烘幹和分級的作用。適宜中長距(jù)離輸送,輸(shū)送比重(chóng)較大。
高壓供料器壓送(sòng)氣力輸送係統參數
| 項目 | 輸送方(fāng)式 | 輸送量 | 輸送壓 | 輸送管徑 | 輸送高度 | 輸送距離 | 
| 參數 | 連續中低壓壓(yā)送 | 0.1-50 | 98.0-300 | 50-200 | 20-40 | 50-300 | 
密(mì)相高壓氣力輸送工作原理
密相高(gāo)壓氣力輸送係統參數
1、螺杆式空(kōng)氣壓縮機 2、冷凍幹燥機   3、儲氣罐           4、輸氣管道 
5、排料裝置               6、手動插板閥   7、電動卸料閥    8、發送罐
9、管道                     10、低料位計     11、高料位計      12、料倉
13、袋式過濾器         14、引風機        15、PLC控製箱   16、增壓器(qì)
密(mì)相高壓氣力輸送係統特(tè)點:
該係統具有流(liú)速低、耗氣量小(xiǎo),適宜長距離,大容量的輸送,對於透氣性(xìng)好的物料 ,便於實現流態化輸送。具有噪音低、破碎少的特點,適(shì)合輸送(sòng)水(shuǐ)泥、粉煤灰、鑄造型砂等磨削性較大的(de)物料(liào)。
| 項目(mù) | 輸送(sòng)方(fāng)式 | 輸送量 | 輸送壓 | 輸送管徑 | 輸送高度 | 輸送距離 | 
| 參數 | 連續中(zhōng)低壓壓送 | 0.1-100 | 100-600 | 50-200 | 40-200 | <1000 | 
售後服務:
1、為客戶培訓維修和操作人員,及時方便的為用戶(hù)提供(gòng)配件。
2、打造行業服務優質品(pǐn)牌,24小時服(fú)務。
3、公司發貨後,有專門 的售後客服,第一個月、第三個月和第六(liù)個月對使(shǐ)用情況進行跟蹤回訪。
4、提供售前選型方案,圖(tú)紙技術支持。
5、客戶提出的(de)問題2小時以內予(yǔ)以響應。
聯係我們:
手機:13964033677
電話:13964033677
傳真:0531-83313150 0531-83293366
銷售QQ:1302842311
郵箱:1302842311@qq.com
									標簽: 
									
								
								
									
							 
				 
			 
		 當前位置:
當前位置:  
							 
										 
										